The tiny mites that have sex on our faces have a problem
University of ReadingExfoliate, moisturise and SPF every day are the standard in many people's skincare routine.
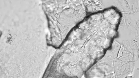
But what about pore cleaning mites like Demodex folliculorum that spend their entire life living deep in our faces?
At night, the 0.3mm long organisms leave the pores to find a new skin follicle, meet a partner and mate.
But a new study has found the mites could be facing a problem as their DNA is eroding, meaning they are close to extinction.
Now we know what you're thinking.
And if you're rushing to the bathroom, grabbing all the face wash you own and scrubbing every inch of your skin, you won't get very far - they live too deep in your skin to ever be washed out.
If it gives you some comfort, more than 90% of us are hosts to these mites and have provided them a home since birth as they're passed on during breastfeeding.
Getty ImagesDr Alejandra Perotti, from the University of Reading, co-wrote the study and says we should be "grateful" to offer the mites a home and have such an intimate relationship with them.
"They're very tiny and cute. There's nothing to be concerned about having them. They clean our pores and keep them flat," she tells Radio 1 Newsbeat.
"Don't be worried. Be happy you have a small microscopic creature living with you, they don't do any damage."
The study shows just how close our relationship is with them, but also how the mites have the smallest number of genes in any insect, arachnid or crustacean.
The gene which protects the mite's body from UV light has been lost but in all fairness they are only active at night.
And it's that night-time activity that might cause you to squirm...
"In the night, whilst we're in a deep sleep, they visit the pores to have sex and have babies," Dr Perotti says.
Yes, these creatures are using our pores like the Love Island hideaway. Nice.
University of ReadingThe study shows that as their genetic diversity gets smaller, their dependence on us increases - meaning they are at risk of possible extinction.
For example, the research expected to find the gene which wakes up the mites and sends them to sleep but it wasn't present.
Instead, the organism detects the lower amount of hormones secreted in the skin whilst we're asleep and it's this which triggers them to wake up.
These adaptations are causing the issue. The more they adapt to us, the more genes they lose and eventually they will become entirely dependent on us for their existence.
Because of this dependence they won't be able to leave our pores and find a new mate to couple up with. Well and truly putting all their eggs in one basket.
So what's the issue if we do lose them?
"They are associated with healthy skin, so if we lose them you could face problems with your skin," Dr Perotti adds.


